Zhejiang Sehnaider Electric Co., Ltd.
Zhejiang Sehnaider Electric Co., Ltd.
Výrobky
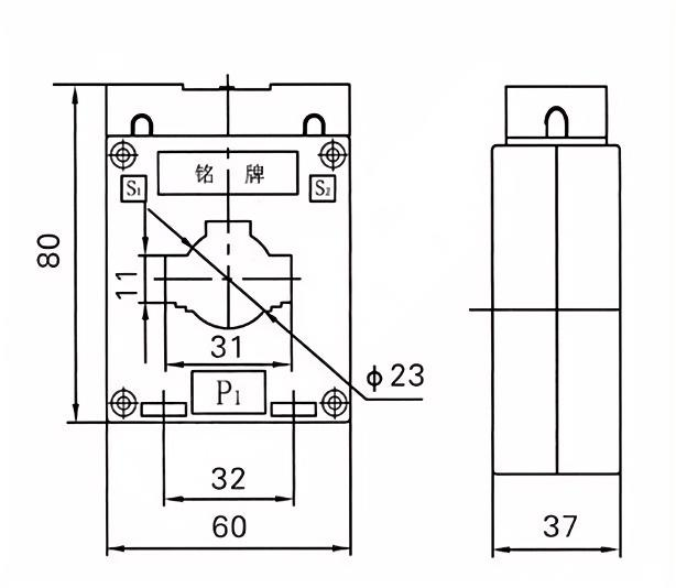
BH-0,66-30 prúdové transformátory
  • BH-0,66-30 prúdové transformátoryBH-0,66-30 prúdové transformátory

BH-0,66-30 prúdové transformátory

Transformátory BH-0,66-30 (CTS) sú prístrojmi s presným inžinierstvom určené na presné meranie prúdu a monitorovanie v elektrických systémoch s nízkym napätím. S menovité izolačné napätie 0,66 kV sú tieto transformátory ideálne pre riadenie energie, ochranné relácie a meranie aplikácií.

Vlastnosti:

Vysoká presnosť: spĺňa normy IEC 61869, čím sa zabezpečí spoľahlivý výkon na účely fakturácie a monitorovania.

Kompaktný dizajn: Konštrukcia úsporu priestorov pre ľahkú inštaláciu v tesných priestoroch.

Široký súčasný rozsah: Primárny prúd až do 30A, vhodný pre rôzne priemyselné a komerčné zaťaženie.

Odolné materiály: Robustné bývanie poskytuje odolnosť proti faktorom prostredia a mechanickému stresu.

Dodržiavanie bezpečnosti: BH-0,66-30 Súčasné transformátory, ktoré sú v súlade s certifikáciami medzinárodnej bezpečnosti a výkonnosti.


Aplikácie:

Meranie energie v systémoch distribúcie energie.

Nadprúdová ochrana v ističoch a relé.

Integrácia s inteligentnými mriežkami a monitorovacími riešeniami založenými na internete.

Technické špecifikácie:

Menovité napätie: 0,66 kV

Frekvencia: 50/60 Hz

Trieda presnosti: 0,5, 1,0 (prispôsobiteľné)

Zaťaženie: podľa požiadaviek zákazníka


Hlavné technické parametre

Menovité primárne
aktuálny (a)
Presnosť
tried
kombinácia
Menené sekundárny výstup (VA) Je tepelný prúd (ka) Menené dynamický prúd (KA)
0,2 (s) 0.2 0.5 10p10
5-40 0,2/10p10
0,5/10p10
/ 10 10 15 90lin 220
5-40 100lin 250lin
5-40 20 50
5-40
5-40 36 90
10
5-40 45 100
5-40 56 100
5-40
5-40 80 110
5-40 100 110


Hot Tags: BH-0,66-30 prúdové transformátory
Odoslať dopyt
Kontaktné informácie
Ak máte akékoľvek otázky týkajúce sa citácie alebo spolupráce, neváhajte nám e -mail na adresu river@dahuelec.com alebo použite nasledujúci dopytový formulár. Náš obchodný zástupca vás bude kontaktovať do 24 hodín. Ďakujeme za váš záujem o naše výrobky.
X
Súbory cookie používame, aby sme vám poskytli lepší zážitok z prehliadania, analyzovali návštevnosť stránok a prispôsobili obsah. Používaním tejto stránky súhlasíte s naším používaním cookies. Zásady ochrany osobných údajov
Odmietnuť Prijať