Zhejiang Sehnaider Electric Co., Ltd.
Zhejiang Sehnaider Electric Co., Ltd.
Výrobky
BH-0,66-60 prúdové transformátory
  • BH-0,66-60 prúdové transformátoryBH-0,66-60 prúdové transformátory

BH-0,66-60 prúdové transformátory

BH -0,66-60 prúdové transformátory prijímajú materiál na spaľujúci plameň PC a magnetický vodivosť je žíhaným toroidným jadrom, aby sa zabezpečila presnosť produktu na úrovniach 0,2 a 0,5. Pre ultra - vysoké úrovne presnosti, ako sú 0,2 s a 0,5 s, môžu takéto požiadavky na presnosť spĺňať iba supravodivé magnety.

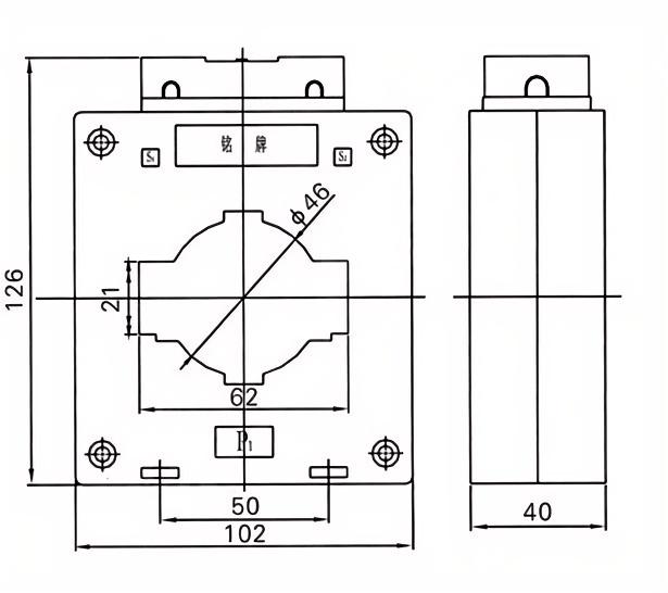
BH-0,66-60 prúdové transformátory sú použiteľné na výkonové systémy s menovitou frekvenciou 50 Hz a menovité napätie 0,66 kV, 0,69 kV, 0,5 kV a nižšie pre meranie elektrickej energie, meranie prúdu a ochranu relé.


Tento súčasný transformátor Dahu je určený na použitie v interiéri, nainštalovaný vo vnútri distribučných skriniek a škatúľ. Je vybavený novým dizajnom magnetických obvodov, pokročilými metódami kompenzácie, vynikajúcimi technikami spracovania, bezpečným a spoľahlivým výkonom a malým a krásnym vzhľadom.


Vonkajší škrupina je vyrobená z vysokorýchlostného plameňa - spomaľujúceho počítača s plne - uzavretou štruktúrou a plameňom - spomaľujúcim hodnotením V1. Vnútorné jadro je vyrobené z vysoko kvalitných obilia orientovaných kremíkových oceľových listov. Priemer drôtu je prísne vybraný podľa hustoty hospodárskeho prúdu, aby sa zabezpečilo menší nárast teploty. Vďaka pokročilým a spoľahlivým testovacím zariadením zaisťuje dodržiavanie kvalitných noriem.


Má typy štvorcových a okrúhlych otvorov, ktoré sú vhodné pre prenikanie do koreňového alebo viacnásobného koreňového kábla alebo prenikanie do koreňových prípusov. Má kompletnú produktovú sériu, širokú škálu špecifikácií a široký rozsah aplikácií.


Žiadosti

Monitorovanie energie a meranie

Ochrana obvodu a koordinácia relé

Priemyselná automatizácia a inteligentné mriežkové systémy

Technické špecifikácie

Menovité napätie: 0,66 kV

Frekvencia: 50/60 Hz

Trieda presnosti: 0,5, 1,0 (prispôsobiteľné)

Úroveň izolácie: 3 kV/min


Hlavné technické parametre

Menovité primárne
aktuálny (a)
Presnosť
tried
kombinácia
Menené sekundárny výstup (VA) 1S tepelný prúd (KA) Menené dynamický prúd (KA)
0,2 (s) 0.2 0.5 10p10
5-40 0,2/10p10
0,5/10p10
/ 10 10 15 90lin 220
5-40 100lin 250lin
5-40 20 50
5-40
5-40 36 90
10
5-40 45 100
5-40 56 100
5-40
5-40 80 110
5-40 100 110


Hot Tags: BH-0,66-60 prúdové transformátory
Odoslať dopyt
Kontaktné informácie
Ak máte akékoľvek otázky týkajúce sa citácie alebo spolupráce, neváhajte nám e -mail na adresu river@dahuelec.com alebo použite nasledujúci dopytový formulár. Náš obchodný zástupca vás bude kontaktovať do 24 hodín. Ďakujeme za váš záujem o naše výrobky.
X
We use cookies to offer you a better browsing experience, analyze site traffic and personalize content. By using this site, you agree to our use of cookies. Privacy Policy
Reject Accept